Description
Goods Shelf Roll Forming Machine including Shelf Roll Forming Machine, Pallet Rack Roll Forming Machine.Pallet rack can both store multi-veriety goods with small quantity and also unified goods with big quantity. Normally thickness can be formed at 2.5mm and the speed is about 20-30m/min.This machine is widely used in high warehouses.
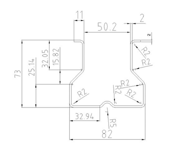
Profile

Technical Specifications
|
Warehouse Pallet Rack/Goods Shelf Roll Forming Machine |
|||
|
No. |
Item |
Specification |
Optional |
|
1 |
Suitable material |
Type:Galvanized Coil, PPGI, Carbon steel Coil | |
| Thickness(mm):1.5-2.5 | |||
| Yield strength: 250 - 550MPa | |||
| Tensil stress( Mpa):G350Mpa-G550Mpa | |||
|
2 |
Nominal forming speed(m/min) |
10-25 | Or according to your requirement |
|
3 |
Forming station |
20 | |
|
4 |
Decoiler |
Manual decoiler | Hydraulic decoiler or double head decoiler |
|
5 |
Main machine motor |
Sino-German Brand | Siemens |
|
6 |
PLC brand |
Panasonic | Siemens |
|
7 |
Inverter brand |
Yaskawa | |
|
8 |
Driving system |
Chain drive | Gearbox drive |
|
9 |
Rollers’ materail |
Steel #45 | GCr15 |
|
10 |
Station structure |
Torri stand structure | Forged Iron stationOr Wall panel station |
|
11 |
Punching system |
No | Hydraulic punching station or Punching press |
|
12 |
Cutting system |
Post-cutting | Pre-cutting |
|
13 |
Power supply requirement |
380V 60Hz | Or according to your requirement |
|
14 |
Machine color |
Industrial blue | Or according to your requirement |
Flow Chart

1. Decoiler

2. Feeding

3.Punching

4. Roll forming stands

5. Driving system

6. Cutting system

Others

Out table













