Perfil
Descripción de la máquina
Este equipo está diseñado para fabricar tirantes, resortes o riostras empleados en sistemas de estanterías industriales. En la imagen se observa el conjunto completo del sistema de estanterías. Generalmente, existen dos métodos para conectar los tirantes con los postes. Nuestra máquina permite realizar perforaciones tanto en la base como en los laterales, brindando a los clientes la flexibilidad de elegir la modalidad de unión que mejor se adapte a sus requerimientos. Además, la distancia de los orificios al borde puede ajustarse fácilmente modificando los parámetros del panel, adaptándose a las preferencias específicas de cada cliente. Dado que todos nuestros equipos son fabricados a medida, podemos cumplir con estas particularidades. También ofrecemos opciones con perforaciones únicamente en la parte inferior o solamente en los laterales.
Además, esta máquina está diseñada para fabricar dos tipos distintos de perfiles. El cambio entre ellos se realiza manualmente mediante el ajuste de los distanciadores. El proceso consiste en aflojar los anillos de sujeción, extraer el distanciador y colocarlo en el centro de los rodillos. De esta forma, se modifica el punto de flexión y se regula la altura del tirante conforme al perfil deseado.
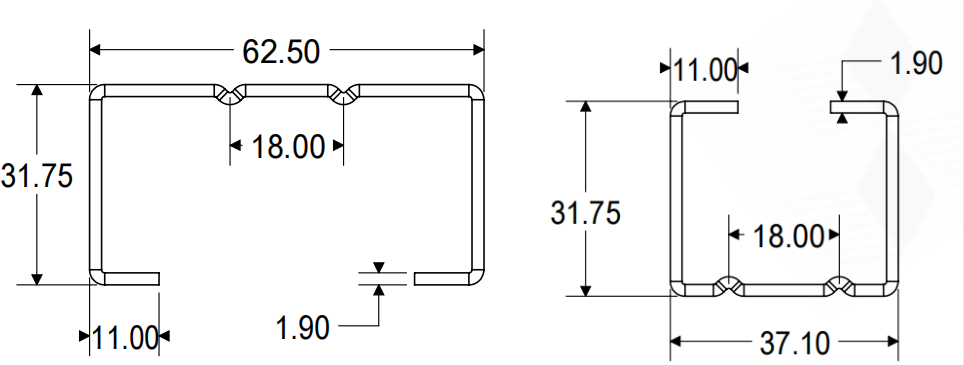
Este perfil tiene un espesor de 1.9 mm, correspondiente al calibre 14, y está fabricado en acero negro tipo A50. La línea de producción trabaja a una velocidad de entre 10 y 12 metros por minuto. El flujo de trabajo comprende: desbobinador manual con capacidad para 3 toneladas, sistema de alimentación, enderezador, unidad de punzonado hidráulico, conformado, corte hidráulico y mesa de descarga. Para reducir la tensión del material antes de perforar —ya que el punzonado se realiza a diferentes alturas— se realiza primero un proceso de aplanado. Además, al realizar el punzonado previo al conformado, se facilita también la incorporación del logotipo del cliente en el perfil.
La conformadora presenta una estructura tipo panel y funciona con un sistema de transmisión por cadena, completando el perfilado en 12 estaciones. Al final del
proceso, el corte se realiza sin generar residuos, lo que contribuye a una utilización más eficiente del material. Se incorporan dos juegos de cuchillas, cada uno adaptado a una medida específica, y la longitud de corte se controla con alta precisión gracias a un encoder de la marca Koyo. En caso de producirse algún error durante la operación, se puede ajustar fácilmente desde el panel de control. Todas las instrucciones del panel están disponibles en español, lo que facilita su manejo para los operarios.
Antes de la entrega, llevamos a cabo un proceso exhaustivo de calibración para asegurar que la máquina esté lista para operar con una instalación mínima en las instalaciones del cliente, produciendo perfiles que coincidan exactamente con el diseño solicitado. Para lograr un ajuste preciso, aconsejamos a los clientes que nos proporcionen directamente sus bobinas de acero. Esto nos permite configurar el equipo con base en el material real, garantizando un rendimiento óptimo y totalmente adaptado a sus necesidades de producción.
Flujo físico
Real case-Machinery
| Máquina para los tirantes | ||
| Item | Configuración optional | |
| Materia prima : | Acero negro A50 | Espesor(MM): cal14 |
| 1.9mm | ||
| Fluencia : | ≤350 Mpa | |
| Velociadad de la línea | 10-12m/min | Según la longitud de corte |
| Velocidad de conformar | 0-15m/min | |
| Desbobinador | Manual | 3t |
| Número de rodillos de aplanador | 4 de alimentación+7 para aplanar | |
| Motor de perforación hidráulica/corte | 7.5kw | 5 años de garantía |
| Velocidad de perforación | 2 segundos cada golpe | |
| Paso de formar | 12 pasos | * Según sus perfiles |
| Motor de conformadora | 11kw | 5 años de garantía |
| Sistema de transmisión : | Cadena | Grado100 |
| Estructura de la máquina: | Panel | 18mm |
| Materia del eje | 40Cr | |
| Diámetro del eje | φ70mm | 5 años de garantía |
| Material de los rodillos : | GCr15 | 5 años de garantía |
| Materia prima de cuchillas | SKD-11 | 2 juego |
| Velocidad de corte | 2 segundos cada corte | no hay pérdida |
| Marca de encoder | Koyo | |
| Longitud de la mesa de salida | 4m | |
| Inversor : | Marca Yaskawa | |
| PLC : | Marca Siemens | |
| HMI : | Marca MCGS | |
| Lengua : | Español | |
| Electricidad : | 380V 50Hz 3Ph | * O Según su requisito |
| Color de la máquina : | Azul | * O Según su requisito |
| Entrega : | 90 Días | |
| Contenedor | 1*20GP | |
| Peso total | 6.2ton | |
| Dimensiones : | 18.8m*1.2m*1.15mm |
Foto de detalle
Comentarios
1. Decoiler

2. Feeding

3.Punching

4. Roll forming stands

5. Driving system

6. Cutting system

Others

Out table














